板式冷却器生产厂家
网站首页
HOMEPAGE
公司简介
ABOUT US
产品展示
PRODUCTS
新闻中心
NEWS CENTER
产品知识
KNOWLEDGE
服务网络
NETWORK
客户反馈
FEEDBACK
联系我们
CONTACT US
生产车间
workshop
板式冷却器
板式冷却器
板式冷却器
  • 板式冷却器
    华航液压
  • 板式冷却器
    华航液压
  • 板式冷却器
    华航液压


联系我们 CONTACT US

地    址:南通市海安南莫高扬工业园区
电    话:+86-0513-88486051
传    真:+86-0513-88487758

手    机 :15862734680(崔经理)

维修热线:18796795379(刘工)
E-MAIL:hhlqq8@126.com


 
产品展示
+ 您现在的位是:板式冷却器-产品展示
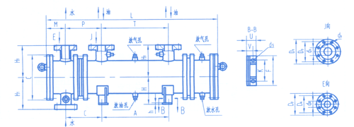
2LQF1W系列冷却器

型号
10/19F
10/25F
10-29F
10/36F
10/45F
10/55F
10/68F
10/77F
10/100F
10
/135F
10/176F
10/244F
10/299F
A
2690
2690
2670
2640
2670
2590
2590
2590
2690
2620
4700
4800
5800
C
360
415
445
495
550
600
655
705
805
905
805
908
908
D1
280
280
280
280
280
335
335
405
405
405
405
405
405
D2
190
190
215
215
280
280
280
280
335
335
335
335
335
D3
240
240
240
240
240
295
295
355
355
355
355
355
355
D4
160
160
185
195
240
240
240
240
295
295
295
295
295
Dg
273
325
351
402
450
500
560
600
700
800
705
810
810
d2
80
80
100
100
150
150
150
150
200
200
200
200
200
d3
8-ф23
8-ф23
8-ф23
8-ф23
8-ф23
12-ф23
12-ф23
12-ф23
12-ф25
12-ф25
12-ф25
12-ф25
12-ф25
d4
8-ф18
8-ф18
8-ф18
8-ф18
8-ф23
8-ф23
8-ф23
8-ф23
8-ф23
8-ф23
8-ф23
8-ф23
8-ф23
d5
4孔16×22
4孔16×32
4孔16×32
4孔19×32
4孔19×32
4孔19×32
4孔19×32
4孔19×22
4-ф22
4-ф22
4-ф22
4-ф22
4-ф22
F1
200
200
250
270
300
325
325
400
435
435
430
480
480
G
240
240
280
285
310
345
345
355
360
375
425
450
450
H
190
216
268
292
305
330
300
380
432
482
435
485
485
H1
248
280
298
324
350
375
375
432
490
540
489
540
540
h
10
10
10
10
10
14
14
14
14
14
14
14
14
L
3460
3470
3510
3520
3580
3630
3640
3655
3770
3770
5709
6022
7059
M
140
145
160
165
190
195
200
205
255
255
201
611
611
P
290
292
310
320
345
385
390
395
475
475
381
404
404
T
2690
2690
2690
2680
2680
2615
2600
2595
2510
2510
4705
4993
5905
U
60
60
85
85
85
100
100
100
100
125
125
125
125
V
35
35
50
50
50
70
70
70
100
100
100
100
100
  

 

我厂将根据客户来样来图非标产品进行设计,报价..

 

Copyright 2014-2015 nthhyy.com ALL RIGHTS RESERVED 板式冷却器领导者品牌-海安华航换热器制造厂 版权所有
地 址:南通市海安南莫高扬工业园区 服务热线:0513-88486051 传 真:0513-88487758邮 编:226000

友情链接: 板式冷却器价格 |涡轮流量计 |蒸汽流量计 |涡轮流量计 |涡街流量计