板式冷却器生产厂家
网站首页
HOMEPAGE
公司简介
ABOUT US
产品展示
PRODUCTS
新闻中心
NEWS CENTER
产品知识
KNOWLEDGE
服务网络
NETWORK
客户反馈
FEEDBACK
联系我们
CONTACT US
生产车间
workshop
板式冷却器
板式冷却器
板式冷却器
  • 板式冷却器
    华航液压
  • 板式冷却器
    华航液压
  • 板式冷却器
    华航液压


联系我们 CONTACT US

地    址:南通市海安南莫高扬工业园区
电    话:+86-0513-88486051
传    真:+86-0513-88487758

手    机 :15862734680(崔经理)

维修热线:18796795379(刘工)
E-MAIL:hhlqq8@126.com


 
产品展示
+ 您现在的位是:板式冷却器-产品展示
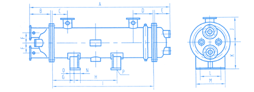
LQG系列船用冷却器

LQG型冷却器尺寸表(二次流)
型号冷却面积接管通径ABCDEFGHIJKLMNOP
管侧壳侧
LQG1-200/21403211061101001601218015050085015015010015060304-M16
LQG2-200/22504011061101001601217515050085015015010015060304-M16
LQG3-200/235040140611010016012175150800115015015010015060304-M16
LQG5-350/256550152112011017013192.5150850124517518015020060304-M16
LQG8-350/2865501187140130200136142.515050087525026023028060304-M16
LQG10-350/21080651406140130200136135150650109425026023030060304-M16
LQG15-400/215100801553210140220167150200750114025029025030060304-M20
LQG20-400/2201251001933210140220167137.52001000152028029025030060304-M20
LQG25-400/2251251002333210140220167137.52001200190028029025030060304-M20
LQG30-400/2301251002693210140220167137.52001600228028029025030060304-M20
LQG35-450/2351251002539250140240192137.52001400206128029025030060304-M20
LQG40-550/2401251002124280185270227212.52001050157941042038048060404-M20
LQG45-500/2451251002605260170250197187.52501150211234035032042075454-M22
LQG50-650/2501501501945300235360249250250800135247048042056075454-M22
LQG60-650/26015015022153002353602492502501100162247048042056075454-M24
LQG70-700/2702002002280300235360280250250950162050051048060075454-M24
LQG80-600/28015012531603002103352422253001800257644040040052060404-M22
LQG90-700/29020020027433002353602802502501400208350051048060075454-M24
LQG100-700/210020020029753002353602802502001600231550051048060075454-M24
LQG110-700/211020020032053002353852802003001650254550051048060075454-M24
LQG120-700/212020020031233602403603003003001600241344054052064075454-M24
LQG130-700/213020020036703002353602803004002100301050051048060075454-M24
LQG140-700/214020020039003002353602802504002250324050051048060075454-M24
LQG150-700/215020025041303002353602802254002500347050051048060075454-M24
LQG160-750/216020020039303302403853002754002300322053054052064075454-M24
LQG180-750/218025020043303302403853002504002600362053054052064075454-M24
LQG200-750/220025025047303302403853002504003000402053054052064075454-M24
LQG220-800/222025025045693602654103002755002600385556057058070085554-M24
LQG240-800/224030030049193602654103002505002950420556057058070085554-M24
LQG260-800/226030030052693602654103002505003300455556057058070085554-M24
  
型号冷却面积接管通径ABCDEFGHIJKLMNOP
管侧壳侧
LQG1-200/21403211061101001601218015050085015015010015060304-M16
LQG2-200/22504011061101001601217515050085015015010015060304-M16
LQG3-200/235040140611010016012175150800115015015010015060304-M16
LQG5-350/256550152112011017013192.5150850124517518015020060304-M16
LQG8-350/2865501187140130200136142.515050087525026023028060304-M16
LQG10-350/21080651406140130200136135150650109425026023030060304-M16
LQG15-400/215100801553210140220167150200750114025029025030060304-M20
LQG20-400/2201251001933210140220167137.52001000152028029025030060304-M20
LQG25-400/2251251002333210140220167137.52001200190028029025030060304-M20
LQG30-400/2301251002693210140220167137.52001600228028029025030060304-M20
LQG35-450/2351251002539250140240192137.52001400206128029025030060304-M20
LQG40-550/2401251002124280185270227212.52001050157941042038048060404-M20
LQG45-500/2451251002605260170250197187.52501150211234035032042075454-M22
LQG50-650/2501501501945300235360249250250800135247048042056075454-M22
LQG60-650/26015015022153002353602492502501100162247048042056075454-M24
LQG70-700/2702002002280300235360280250250950162050051048060075454-M24
LQG80-600/28015012531603002103352422253001800257644040040052060404-M22

 

我厂将根据客户来样来图非标产品进行设计,报价..

 

Copyright 2014-2015 nthhyy.com ALL RIGHTS RESERVED 板式冷却器领导者品牌-海安华航换热器制造厂 版权所有
地 址:南通市海安南莫高扬工业园区 服务热线:0513-88486051 传 真:0513-88487758邮 编:226000

友情链接: 板式冷却器价格 |涡轮流量计 |蒸汽流量计 |涡轮流量计 |涡街流量计