板式冷却器生产厂家
网站首页
HOMEPAGE
公司简介
ABOUT US
产品展示
PRODUCTS
新闻中心
NEWS CENTER
产品知识
KNOWLEDGE
服务网络
NETWORK
客户反馈
FEEDBACK
联系我们
CONTACT US
生产车间
workshop
板式冷却器
板式冷却器
板式冷却器
  • 板式冷却器
    华航液压
  • 板式冷却器
    华航液压
  • 板式冷却器
    华航液压


联系我们 CONTACT US

地    址:南通市海安南莫高扬工业园区
电    话:+86-0513-88486051
传    真:+86-0513-88487758

手    机 :15862734680(崔经理)

维修热线:18796795379(刘工)
E-MAIL:hhlqq8@126.com


 
产品展示
+ 您现在的位是:板式冷却器-产品展示
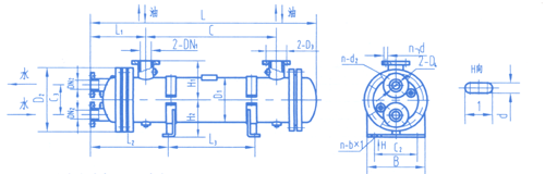
GLL 系列冷却器

型号
L
C
L1
H1
H2
D1
D2
C1
C2
B
L2
L3
D3
D4
n-d1
n-d2
n-bxL
DN1
DN2
重量
(kg)
GLL3-4
1165
682
265
190
210
219
310
140
200
290
367
485
100
100
4-ø17.5
4-ø17.5
4-20×28
32
32
143
GLL3-5
1465
982
785
168
GLL3-6
1765
1282
1085
100
40
184
GLL3-7
2065
1512
1385
220
GLL4-12
1555
960
345
262
262
325
435
200
300
370
490
660
145
145
65
65
319
GLL4-16
1960
1365
1065
380
GLL4-20
2370
1775
1475
440
GLL4-24
2780
2175
350
1885
160
8-ø17.5
80
505
GLL4-28
3190
2585
2295
566
GLL5-35
2480
1692
500
315
313
426
535
235
300
520
730
1232
180
180
8-ø17.5
4-20×30
100
100
698
GLL5-40
2750
1962
1502
766
GLL5-45
3020
2202
515
725
1772
210
125
817
GLL5-50
3290
2472
2042
900
GLL5-60
3830
3012
2582
1027
GLL6-80
3160
2015
700
500
434
616
780
360
550
750
935
1555
295
295
8-ø22
8-ø22
4-25×32
200
200
1617
GLL6-100
3760
2615
2155
1890
GLL6-120
4360
3215
2755
2163

注:GLCA型与GLC型外形尺寸相同,油、水口有螺纹和法兰两种冷却器

我厂将根据客户来样来图非标产品进行设计,报价..

 

Copyright 2014-2015 nthhyy.com ALL RIGHTS RESERVED 板式冷却器领导者品牌-海安华航换热器制造厂 版权所有
地 址:南通市海安南莫高扬工业园区 服务热线:0513-88486051 传 真:0513-88487758邮 编:226000

友情链接: 板式冷却器价格 |涡轮流量计 |蒸汽流量计 |涡轮流量计 |涡街流量计